

Howo TX 4x2 7,5 metreküp köpüklü itfaiye aracı, 4700 mm dingil mesafesine sahip Howo TX şasisini kullanır. Araç, Weichai WP4.6NQ240E62 motor ve Sinotruk HW95508STCL şanzıman ile donatılmıştır. Üst yapının ön kısmı, yardımcı yangın söndürme ekipmanlarını depolamak için bir ekipman kutusudur. Orta bölümde 5,5 metreküp karbon çelik su tankı ve 2 metreküp paslanmaz çelik köpük tankı bulunur. Arka pompa odası, bir CB10/40-LC(BS) yangın pompası, kontrol paneli, yangın söndürme ekipmanı, tank üstünde PL8/32 yangın izleme cihazı ve iki Avrupa standardı menhol ile donatılmıştır.
Kamyon Şasisi:
HOWO TX, 4x2Çalışma kapasitesi:
5500L water +2000L foamMotor Gücü:
240 HP/ WP4.6NQ240E62İtfaiye Pompası:
China CB10/40-LC(BS)Pompa Akışı:
40L/sİş Baskısı:
1.0 MpaYangın Monitörü:
China PL8/32Akışı İzle:
32 L/sMonitör Aralığı:
Water≥60 m,Foam≥48mO Howo Model 6 tekerlekli Yangın Koruma Aracı güçlü hareket kabiliyeti, geniş söndürme maddesi rezervleri ve çeşitli muharebe kabiliyetlerini bünyesinde barındıran, tam fonksiyonlu, orta büyüklükte bir ana muharebe itfaiye aracıdır. Güç açısından, güçlü bir güç ve verimli bir şanzıman sağlayan Weichai motoru ve Sinotruk şanzımanı ile donatılmıştır.
Üst yapı, çeşitli yangın söndürme ekipmanlarının düzenli bir şekilde depolanması için ön ekipman kutusu ile bilimsel olarak düzenlenmiştir; merkezi su deposu ve köpük deposu, farklı yangın durumlarına uygun depolama kapasitelerine sahiptir; arka pompa odası ise kolay kullanım için temel ekipmanlarla donatılmıştır. Tankın üstündeki yangın izleme sistemi, çeşitli A ve B Sınıfı yangınlara etkili bir şekilde müdahale ederek uzaktan ve hassas yangın söndürme sağlar.
» Ⅰ. Ana Özellikler:
★ 240 Hp güçlü motor, 100.000 km sorunsuz.
★ HOWO yeni model TX kabin, Avrupa tasarımı
★ İnsan teknolojisi aksı, AFRİKA'ya son derece uygundur.
» Ⅱ.Ürün Parametresi :
|
HOWO TX 4x2 köpüklü su itfaiye aracı |
|||
|
Genel |
Çalışma kapasitesi |
5500L su tankı, 2000L köpük tankı |
|
|
Kamyon şasisi |
HOWO TX240 |
||
|
Motor Gücü |
240 beygir / WP4.6NQ240E62 |
||
|
Yangın pompası |
CB10/40-LC(BS) |
||
|
Şasi |
Sürüş Tipi |
4X2 |
|
|
Bulaşma |
SINOTRUK HW95508STCL 8 vitesli, manuel |
||
|
Dingil açıklığı |
4700 mm |
||
|
Yorulmak |
295/80R22.5 18PR,6+1tekerlek |
||
|
Yangın pompası |
Model |
CB10/40-LC(BS) |
|
|
Basınç |
1MPa |
||
|
Maksimum çalışma basıncı |
1.380MPa |
||
|
İzin verilen maksimum giriş basıncı |
0,4 MPa |
||
|
Akı |
40L/s |
||
|
Maksimum emiş yüksekliği |
7m |
||
|
Anma hızı |
3300 devir/dakika |
||
|
Hız Oranı |
1:1.542 |
||
|
Köpük Su Oranlama Karıştırıcısı |
Model |
PH64-RS |
|
|
Karıştırma oranı |
%6 |
||
|
Çalışma basınç aralığı |
0,6 ~ 1,4 MPa |
||
|
Akış aralığı |
16 ~ 64L/s |
||
|
Uygun köpüren sıvı kategorileri |
B Kategorisi |
||
|
Yangın monitörü |
Model |
PL8/32 |
|
|
Akış |
32L/s |
||
|
Nominal çalışma basıncı |
0,8 MPa |
||
|
Menzil |
su |
≥ 6 0m |
|
|
Köpük |
≥ 48m |
||
|
Saha rotasyonu |
- 45 ~ +70° |
||
|
Yatay dönüş |
0 ~ 360° |
||
|
Elektronik alarm |
Elektronik alarm |
LY CJB-100-C24 / 1,2 m uzunluğunda |
|
|
Standart yapılandırma |
Tüm standart aksesuarlar: Yangın hortumu, filtre, bağlantı parçası, anahtar, su/köpük tabancası, temel alet takımı, İngilizce kullanım kılavuzu…… |
||
Merkezi Sıvı Tank Sistemi :
* Su Tankı: 5,5 metreküp hacimli, içten korozyon önleyici kaplamalı karbon çelikten üretilmiş, yangın söndürme suyunu muhafaza etmek için kullanılan tanktır.
* Köpük Tankı: Hacmi 2 metreküp olup, korozyona daha dayanıklı paslanmaz çelikten üretilmiş olup, köpüklü söndürme maddesini muhafaza etmek için kullanılır.
* Toplam Sıvı Kapasitesi: Toplam 7,5 metreküp (su ve köpük solüsyonu), bağımsız veya kombine köpüklü yangın söndürme operasyonlarına uygun.
» Ⅲ. Yangın Pompası sistemi :
|
Yangın pompası modeli |
Basınç |
Maksimum çalışma basıncı |
Akı |
Hız Oranı |
|
CB10/40-LC(BS) |
1,0 MPa |
1.380MPa |
40L/s |
1:1.542 |
Entegre Kontrol Paneli: Panel tasarımı sezgiseldir ve şunları entegre eder:
• Resimli Kılavuz: Su devresi çalışma prosedürlerini, önlemleri ve yangın pompası çalışma prensibi diyagramını açıkça gösterir.
• İzleme Cihazları: Basınç göstergeleri, vakum göstergeleri, köpük seviye göstergeleri, su seviye göstergeleri, takometreler vb. içerir ve sistemin çalışma durumunu gerçek zamanlı olarak gösterir.
• Çalıştırma Düğmeleri: Ana güç anahtarı, vakum pompası, seviye göstergesi, ekipman kutusu aydınlatması vb. için merkezi olarak yerleştirilmiş kontrol anahtarları.
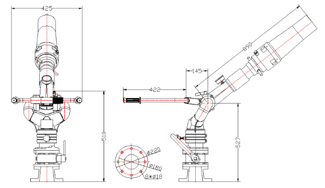
» Ⅲ. Yangın İzleme Sistemi :
| Yangın İzleme Modeli | Akış | Menzil | Anma Basıncı | Pitch Rotasyonu | Yatay dönüş | Ağırlık |
| PL8/32 | 32L/s |
su ≥60m, köpük ≥48m |
0,80 MPa |
-45
°
~+70
°
|
0~360 ° | 23 kilo |
» Ⅳ . Teknik Tasarım:
Tasarım için POWERSTAR Ar-Ge Departmanı:
%100 özelleştirilmiş görünüm, su + köpük tankeri kapasitesi, yangın söndürme araçları saklama kutusu tasarımı, ayrıca tüm kamyon boyutu özelleştirilebilir .
» Ⅵ .Sevkiyat Öncesi Test:
HOWO 4X2 7500L köpüklü itfaiye aracını fabrikamızdan teslim almadan önce, itfaiye aracının yağmur testi, yangın pompası ve yangın monitörünün performans testi ve ayrıca kaynak işlemi, boyama ve diğer hususların son kontrolünü içeren bir fabrika denetimi gerçekleştirdik.
» VII. Uygulamalar: